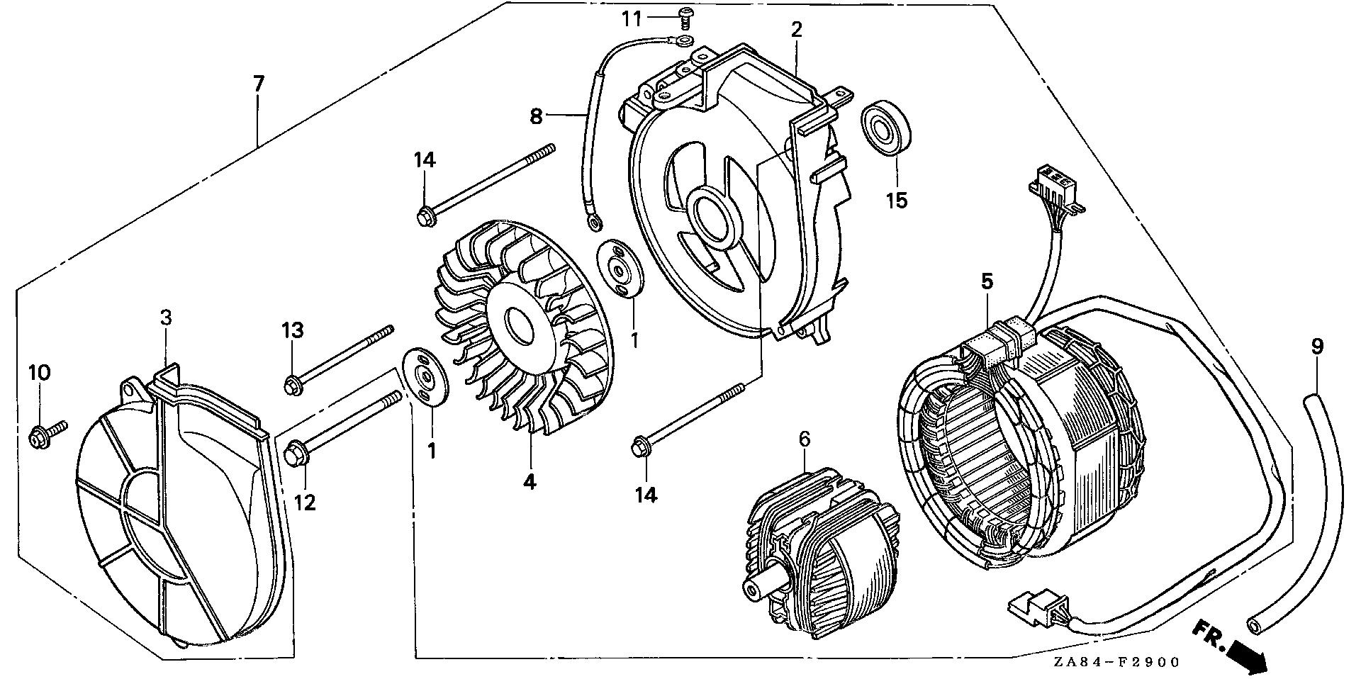
Generators EX EX650 EX650 A GE100-1000001-9999999 EX650 ROTOR@STATOR - Robert E. Little, Inc.

Ref No
Part Number
Description
Serial Range
Qty
Price

Ref No
1
Part Number
19512-ZA8-000
Description
PLATE, FAN SETTING
Serial Range
1000001 - 9999999
Qty
Price
$6.90

Ref No
2
Part Number
31108-ZA8-003
Description
HOUSING, RR.
Serial Range
1000001 - 1109872

Ref No
2
Part Number
31108-ZA8-013
Description
HOUSING, RR.
Serial Range
1109873 - 9999999

Ref No
3
Part Number
31109-ZA8-003
Description
COVER, GENERATOR FAN
Serial Range
1109873 - 9999999
Qty
Price
$36.62

Ref No
4
Part Number
31112-ZA8-801
Description
FAN, COOLING (BLACK)
Serial Range
1109873 - 9999999
Qty
Price
$23.18

Ref No
5
Part Number
31120-ZA8-631
Description
STATOR ASSY.
Serial Range
1000001 - 1136809

Ref No
5
Part Number
31120-ZA8-632
Description
STATOR ASSY. (NOT AVAILABLE)
Serial Range
1136810 - 1291566

Ref No
5
Part Number
31120-ZA8-633
Description
STATOR ASSY.
Serial Range
1291567 - 9999999

Ref No
6
Part Number
31130-ZA8-003
Description
ROTOR (NOT AVAILABLE)
Serial Range
1000001 - 1109872

Ref No
6
Part Number
31130-ZA8-023
Description
ROTOR
Serial Range
1109873 - 9999999
Qty
Price
$459.54

Ref No
7
Part Number
31200-ZA8-631
Description
GENERATOR ASSY.
Serial Range
1000001 - 1136809

Ref No
7
Part Number
31200-ZA8-632
Description
GENERATOR ASSY.
Serial Range
1136810 - 1291566

Ref No
7
Part Number
31200-ZA8-633
Description
GENERATOR ASSY. (NOT AVAILABLE)
Serial Range
1291567 - 9999999

Ref No
8
Part Number
32610-ZA8-000
Description
WIRE, GROUND
Serial Range
1136810 - 9999999

Ref No
9
Part Number
36163-ZA8-000
Description
TUBE, PROTECTOR (9X100)
Serial Range
1000001 - 9999999

Ref No
10
Part Number
90031-875-003
Description
SCREW, TAPPING (5X12)
Serial Range
1000001 - 9999999
Qty
Price
$2.80

Ref No
11
Part Number
90102-899-003
Description
SCREW, PAN (5X12)
Serial Range
1000001 - 9999999
Qty
Price
$3.90

Ref No
12
Part Number
90155-ZA8-000
Description
BOLT, FLANGE (8X92)
Serial Range
1000001 - 9999999

Ref No
12
Part Number
90155-ZA8-010
Description
BOLT, FLANGE (8X92)
Serial Range
1000001 - 9999999
Qty
Price
$5.50

Ref No
13
Part Number
90157-ZA8-000
Description
BOLT, FLANGE (6X75)
Serial Range
1000001 - 9999999
Qty
Price
$4.44

Ref No
14
Part Number
90158-ZA8-000
Description
BOLT, FLANGE (6X95)
Serial Range
1000001 - 9999999
Qty
Price
$4.44

Ref No
15
Part Number
91051-ZA8-003
Description
BEARING ASSY. (6002)
Serial Range
1109873 - 9999999

Ref No
15
Part Number
96150-60020-10
Description
BEARING, RADIAL BALL (6002UU)
Serial Range
1000001 - 1109872
Qty
Price
$17.48