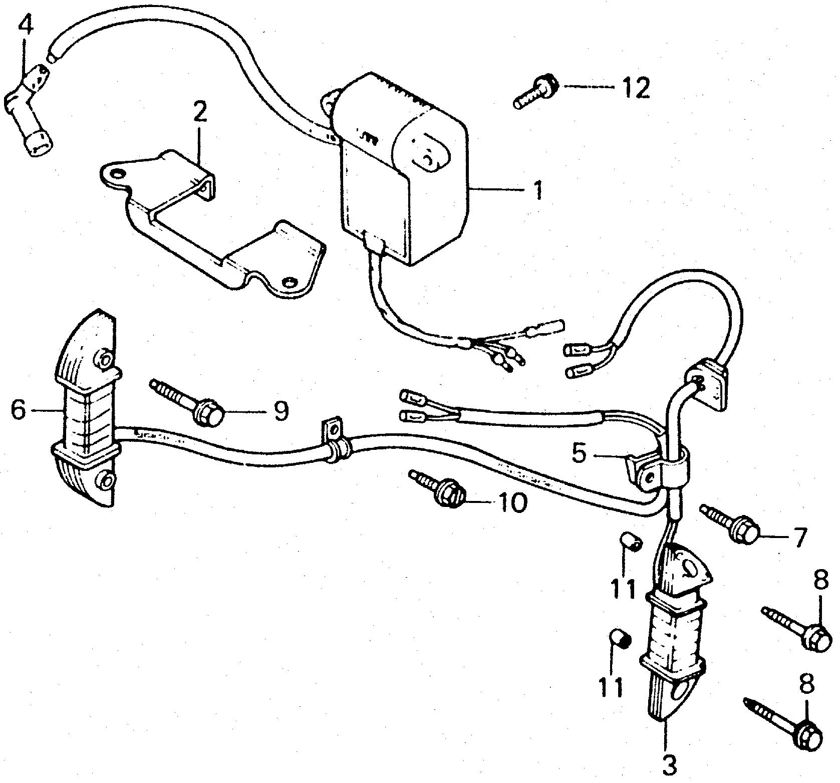
Generators E E4500 E4500K1 A E4500-1000005-1020560 C.D.I. UNIT@EXCITER COIL - Robert E. Little, Inc.

Ref No
Part Number
Description
Serial Range
Qty
Price

Ref No
1
Part Number
30580-890-732
Description
MODULE, IGNITION CONTROL (CDI) (NOT AVAILABLE)
Serial Range
1000001 - 9999999

Ref No
2
Part Number
30586-889-730
Description
STAY, IGNITION CONTROL MODULE (CDI)
Serial Range
1000001 - 9999999
Qty
Price
$12.04

Ref No
3
Part Number
30590-889-732
Description
COIL ASSY., EXCITER (NOT AVAILABLE)
Serial Range
1055469 - 9999999

Ref No
4
Part Number
30700-890-013
Description
CAP ASSY., NOISE SUPPRESSOR
Serial Range
1078890 - 9999999

Ref No
5
Part Number
30702-890-000
Description
CLAMP, IGNITION WIRE
Serial Range
1078890 - 9999999
Qty
Price
$6.48

Ref No
7
Part Number
90013-883-000
Description
BOLT, FLANGE (6X12) (CT200)
Serial Range
1000001 - 9999999

Ref No
8
Part Number
90015-883-000
Description
BOLT, FLANGE (6X28) (CT200)
Serial Range
1000001 - 9999999
Qty
Price
$3.52

Ref No
11
Part Number
94301-08140
Description
PIN, DOWEL (8X14)
Serial Range
1000001 - 9999999
Qty
Price
$2.74

Ref No
12
Part Number
95701-06012-08
Description
BOLT, FLANGE (6X12)
Serial Range
1000001 - 9999999
Qty
Price
$2.04