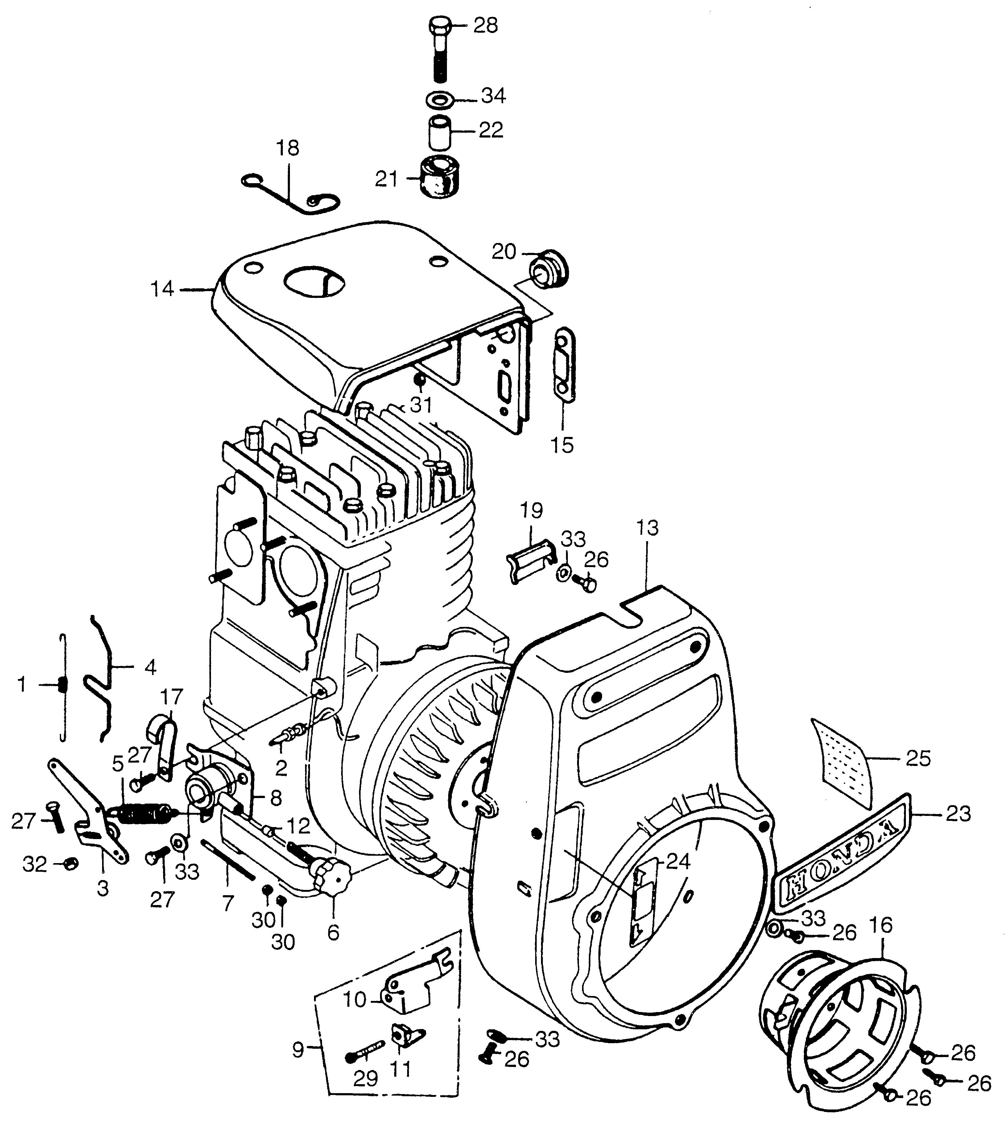
Generators E E1500 E1500K1 A E1500-1171001-1191630 FAN COVER - Robert E. Little, Inc.

Ref No
Part Number
Description
Serial Range
Qty
Price

Ref No
1
Part Number
16501-865-750
Description
SPRING, THROTTLE RETURN (NOT AVAILABLE)
Serial Range
1000001 - 9999999

Ref No
2
Part Number
16535-822-010
Description
SHAFT, GOVERNOR ARM (NOT AVAILABLE)
Serial Range
1000001 - 9999999

Ref No
3
Part Number
16541-822-000
Description
ARM, GOVERNOR (NOT AVAILABLE)
Serial Range
1000001 - 9999999

Ref No
4
Part Number
16545-822-000
Description
ROD, GOVERNOR (NOT AVAILABLE)
Serial Range
1000001 - 9999999

Ref No
5
Part Number
16551-865-000
Description
SPRING, GOVERNOR (NOT AVAILABLE)
Serial Range
1000001 - 9999999

Ref No
6
Part Number
16561-865-000
Description
SCREW, GOVERNOR ADJUST (NOT AVAILABLE)
Serial Range
1000001 - 9999999

Ref No
7
Part Number
16564-822-010
Description
BOLT, SPRING ADJUSTING (NOT AVAILABLE)
Serial Range
1000001 - 1007000

Ref No
7
Part Number
16564-822-020
Description
BOLT, SPRING ADJUSTING (NOT AVAILABLE)
Serial Range
1007001 - 9999999

Ref No
8
Part Number
16570-865-000
Description
LEVER, CONTROL (NOT AVAILABLE)
Serial Range
1000001 - 9999999

Ref No
12
Part Number
16574-822-000
Description
BUSHING, CONTROL (NOT AVAILABLE)
Serial Range
1000001 - 9999999

Ref No
13
Part Number
19600-865-010H
Description
COVER, FAN *R8* (BRIGHT RED) (NOT AVAILABLE)
Serial Range
1000001 - 9999999

Ref No
14
Part Number
19611-865-632H
Description
COVER SIDE *R8* (BRIGHT RED)
Serial Range
1000001 - 9999999

Ref No
15
Part Number
19901-807-000
Description
DEFENDER, SIDE COVER
Serial Range
1000001 - 9999999

Ref No
16
Part Number
28430-865-660
Description
PULLEY, STARTER (NOT AVAILABLE)
Serial Range
1000001 - 9999999

Ref No
17
Part Number
30564-848-000
Description
CLAMP, WIRE
Serial Range
1000001 - 9999999

Ref No
18
Part Number
30564-865-630
Description
CLAMP, IGNITION WIRE (NOT AVAILABLE)
Serial Range
1000001 - 9999999

Ref No
20
Part Number
36151-805-641
Description
GROMMET A, SIDE COVER (NOT AVAILABLE)
Serial Range
1000001 - 9999999

Ref No
21
Part Number
50318-839-000
Description
RUBBER, STOPPER (NOT AVAILABLE)
Serial Range
1000001 - 9999999

Ref No
22
Part Number
50319-839-000
Description
COLLAR, DISTANCE
Serial Range
1000001 - 9999999
Qty
Price
$3.92

Ref No
23
Part Number
87101-865-000
Description
EMBLEM (NOT AVAILABLE)
Serial Range
1000001 - 9999999

Ref No
24
Part Number
87531-865-660
Description
PLATE, THROTTLE (NOT AVAILABLE)
Serial Range
1000001 - 9999999

Ref No
25
Part Number
87542-844-660
Description
MARK, OIL CAUTION (NOT AVAILABLE)
Serial Range
1000001 - 9999999

Ref No
26
Part Number
92101-06012-0A
Description
BOLT, HEX. (6X12)
Serial Range
1000001 - 9999999
Qty
Price
$1.72

Ref No
26
Part Number
92101-06012-0A
Description
BOLT, HEX. (6X12)
Serial Range
1000001 - 9999999
Qty
Price
$1.72

Ref No
27
Part Number
92101-06016-0A
Description
BOLT, HEX. (6X16)
Serial Range
1000001 - 9999999
Qty
Price
$1.78

Ref No
28
Part Number
92101-08032-0B
Description
BOLT, HEX. (8X32)
Serial Range
1000001 - 9999999
Qty
Price
$2.92

Ref No
30
Part Number
94001-04000-0S
Description
NUT, HEX. (4MM)
Serial Range
1000001 - 9999999
Qty
Price
$1.26

Ref No
31
Part Number
94001-05000-0S
Description
NUT, HEX. (5MM)
Serial Range
1000001 - 1007000
Qty
Price
$3.34

Ref No
32
Part Number
94001-06000-0S
Description
NUT, HEX. (6MM)
Serial Range
1007001 - 9999999

Ref No
32
Part Number
94001-06200-0S
Description
NUT, HEX. (6MM)
Serial Range
1007001 - 9999999
Qty
Price
$1.60

Ref No
33
Part Number
94101-06800
Description
WASHER, PLAIN (6MM)
Serial Range
1000001 - 9999999
Qty
Price
$0.80

Ref No
34
Part Number
94101-08000
Description
WASHER, PLAIN (8MM)
Serial Range
1000001 - 9999999
Qty
Price
$1.00